一、探究光反射时的规律
(1)入射角(反射角)是指入射光线(反射光线)与法线的夹角。
(2)如果想探究反射光线与入射光线是否在同一平面内,应如何操作?将纸板沿中轴ON向后折,观察在纸板B上是否有反射光线。
(3)如果让光线逆着OF的方向射向镜面,会发现反射光线沿着OE方向射出,这表明:在反射现象中,光路是可逆的

反射定律:在反射现象中,反射光线,入射光线,法线在同一平面内,反射光线,
入射光线分居法线两侧;反射角等于入射角。
镜面反射和漫反射都遵循反射定律
(4)理想模型法:用带箭头的直线表示光的传播路径和方向。
(5)量角器的作用:测量反射角和入射角的大小。
(6)从纸板不同方向都能看到光的传播路径原因是:光在纸板上发生了漫反射。
(7)多次改变入射角大小并进行多次实验的目的:保证实验结论具有普遍性。
二、平面镜成像规律实验
1.实验器材:较薄、颜色较深的玻璃板,两个完全相同的蜡烛,火柴,刻度尺,一张白纸 笔。较暗环境。
2.操作步骤:实验时,将白纸铺在水平桌面上,将玻璃板竖直放在白纸上,点燃蜡烛法现玻璃板的后面有蜡烛的像,为了确定像的位置具体做法是移动另一侧未点燃的蜡烛,直至与像完全重合,用笔在白纸上做出标记。
3.如何确定像的虚实?将未点燃的蜡烛拿走,拿一个光屏放在该处不透过平面镜看光屏上是否有像。
5.得出结论:平面镜成像特点:物与像成正立、等大、左右相反的虚像,物与像对应点的连线垂直平面镜,物与像到平面镜的距离相等。
6.如果在实验中发现两个像,是由于玻璃板太厚导致的。两个像之间的距离由玻璃板的厚度决定
7.玻璃板后面的蜡烛为什么不需要点燃?若点燃后方蜡烛,使像的背景变亮,使像变淡,不便于观察像。
8.为什么用两只完全相同的蜡烛?便于比较物与像之间的大小关系。
9.实验中用玻璃板代替平面镜是因为?用平面镜不便于确定像的位置。
10. 玻璃板为什么需要竖直放置?蜡烛能够与像重合,准确确定像的位置。
11、实验方法:等效替代
12、多次测量的目的:使实验结论具有普遍性
11.无论怎样移动玻璃板后方的蜡烛,都无法与像完全重合,是因为?玻璃板没有与水平桌面竖直放置。
12.刻度尺的作用?测量物与像到玻璃板距离。
13.为什么要多次测量?使实验结论具有普遍性,避免偶然性
三.凸透镜成像
1、实验:实验时点燃蜡烛,使烛焰中心、凸透镜光心、光屏的中心(即焰心、光心、光屏中心)大致在同一高度,目的是:使烛焰的像成在光屏中央。 实验时发现蜡烛的像呈在光屏的上半部分,要想使像呈在光屏的中心,该如何操作:①向上移动光屏②向上移动蜡烛③向下移动凸透镜。
2、 如果用手将凸透镜遮住一半,则光屏上依然是一个完整的像,但亮度较暗。
3、若在实验时,无论怎样移动光屏,在光屏都得不到像,可能得原因有:①蜡烛在焦点以内(u<f)②烛焰在焦点上(u=f) ③烛焰、凸透镜、光屏的中心不在同一高度 ④蜡烛到凸透镜的距离稍大于焦距,成像在很远的地方,光具座的光屏无法移到该位置。
4、眼睛矫正:近前凹,远后凸
5、照相机成像:近近大,远远小
6、燃烧的蜡烛不断变短,光屏上的像向上移动,为使像呈在光屏中央,应该将光屏向上移动或蜡烛向上移动或凸透镜向下移动。
物距 | 像的性质 | 像距 | 应用 | ||
倒、正 | 放、缩 | 虚、实 | |||
u>2f | 倒立 | 缩小 | 实像 | f<v<2f | 照相机 |
f<u<2f | 倒立 | 放大 | 实像 | v>2f | 幻灯机 |
u<f | 正立 | 放大 | 虚象 | 不考虑 | 放大镜 |
7、实验结论:(凸透镜成像规律)F分虚实,2f大小,实倒虚正,具体体见上表:
8、对规律的进一步认识:
一倍焦距分虚实 二倍焦距分大小,物近像远像变大。像跟着物体跑 (谁远谁大)
四、测物体的密度
1、原理:ρ=m/v
2、用天平测质量,用量筒测物体体积。
3、①使用天平时,先观察量程和分度值,估测物体质量;再把天平放到水平桌面上,为什么?因为天平是一个等臂杠杆,只有天平处于水平平衡是,两边受到的力才相等,物体和砝码的质量才相等。 ②调节天平时应先将游码移到称量标尺左端零刻度处,在调节平衡螺母,时指针指在分度标尺中央红线处。或指针在中央红线左右摆动幅度相同即可。(左偏右调) ③称量过程中要用镊子夹取砝码,左物右码,先大后小,最后移到游码,直至天平水平平衡。④读数=砝码+游码 ⑤如果砝码缺了一块,所测物体质量比实际质量偏大。 ⑥使用量筒时先观察量程和分度值 ⑦注意量筒的量程没有0 刻度线。⑧观察时视线要与凹面底部或凸面顶部在同一水平线上。
五、探究二力平衡实验
1、在探究究二力平衡问题时,什么因素影响实验结果?答:摩擦力
2、你认为下图哪个实验更合理?答:甲,应为乙物体受到的摩擦力大,对实验效果影响大。

3、如何判断物体是否处于平衡状态?答:当物体保持静止或匀速直线运动状态时,都可以判定物体处于平衡状态.
4、实验中如何改变拉力的大小?答:通过改变砝码的个数,来改变对小车的拉力大小.
5、定滑轮有什么作用:答:改变拉力的方向
6、如何探究两个力作用在同一物体上?答:将纸板从中间剪开,观察纸板是否还处于平衡状态。
7、如何探究两个力在同一直线上:答:把纸板转动一个角度,然后松手,观察小车的运动状态.
8、实验结论:二力平衡条件:同体、等大、方向、共线。
9、实验方法:控制变量法
10、选择静止状态的原因:匀速运动状态不好控制
11、进行多次实验的目的:得出普遍规律,避免偶然性。
六、探究滑动摩擦力大小与哪些因素有关:
⑴测量原理:二力平衡
⑵测量方法:把木块放在水平长木板上,用弹簧测力计水平拉木块,使木块匀速运动,读出这时的拉力就等于滑动摩擦力的大小。
⑶ 结论:接触面粗糙程度相同时,压力越大滑动摩擦力越大;压力相同时,接触面越粗糙滑动摩擦力越大。该研究采用了控制变量法。
(4)转换法应用:通过拉力的大小来反映摩擦力的大小
(5)由前两结论可概括为:滑动摩擦力的大小与压力大小和接触面的粗糙程度有关。实验还可研究滑动摩擦力的大小与接触面大小、运动速度,拉力大小等无关。
七、探究力与运动关系实验:(牛顿第一定律)
1、此实验让应让下车怎么滑下来?目的是什么?答:让小车从斜面同一高度由静止滑下来;目的是使小车到达水平面时的速度相同。

2、通过什么知道阻力越小,物体运动减小的越慢?答:小车运动的距离,阻力越少,小车运动的距离越远,说明物体运动减小的越慢。
3、这个实验斜面有何作用?答:使小车滑下的速度相同。
4、实验结论:物体受到的阻力越小,物体运动的距离越远,如果物体不受阻力,他将保持运动直线运动,并一直运动下去。
5、此实验采用的方法是?答:控制变量法 转换法
6、牛顿第一定律能否通过实验探究出来?答:不能,只能在实验基础上推理出来,因为不受力的物体是不存在的。
7、将此实验略加修改还能做哪个实验?答:(1)将斜面长一些,增加刻度尺和秒表可以探究速度变化的实验(2)保证平面的材料相同,增加一个木块可以探究动能大小与哪些因素有关的实验。


牛顿第一定律:
说明:A、牛顿第一定律是在大量经验事实的基础上,通过进一步推理而概括 出来的,因此不可能用实验来直接证明牛顿第一定律。
B、牛顿第一定律的内涵:物体不受力,原来静止的物体将保持静止状态,原来运动的物体,不管原来做什么运动,物体都将做匀速直线运动.
C、牛顿第一定律告诉我们:物体做匀速直线运动可以不需要力,即力与运动无关,所以力不是产生或维持物体运动的原因。
D、力不是维持物体运动的原因,而是改变物体运动状态的原因。
八、探究压力作用效果与哪些因素有关
1、此实验采用的方法有控制变量法、转换法。
2、此实验使用海绵而不用木板为什么?答:木板不容易产生形变,而海绵容易产生形变,便于观察实验现象。
4、比较图甲和图乙可以得到实验结论是:受力面积一定时,压力越大,压力的作用效果越明显。(不能说压强越明显,因为探究这个实验时还没有提出压强的概念)
5、比较图乙和图丙可以得到实验结论是:压力一定时,受力面积越大,压力的作用效果越明显。用海绵形变的大小来衡量压力作用效果的大小,是转换法;而在探究压力作用效果具体受哪个因素影响时,采用了控制变量的方法;
6、如果将图乙中的海绵换成木板,压力的作用效果与放海绵的作用效果相同吗?答:相同,因为压力的效果与压力大小和受力面积有关,有其他因素无关,改成木板后只是我们观察不到效果而已。
7、小明同学实验时将物体B沿竖直方向切成大小不同的两块,如图所示.他发现它们对海绵的压力作用效果相同,由此他得出的结论是:压力作用效果与受力面积无关.你认为他在探究过程中的做法是否正确?原因是:她没有控制压力大小相同。
九、探究液体压强与那些因素有关。
1、由图1、图2可以知道液体压强产生的原因是:液体受到重力作用;液体有流动性。(因此在太空失重情况下液体不会产生压强)

2、探究液体压强与哪些因素有关实验中,采用了哪些方法?答:控制变量法、转换法
3、通过观察什么开知道液体压强大小的?答“U型管内页面的高度差,高度差也大说明液体产生的压强也大”

4、实验前的两个操作:(1)先检查U型管左右两边的液面是否相平。
(2)检查装置的气密性:(用手压金属盒上的橡皮膜,观察U型管中液面是否发生变化,若变化明显,则气密性良好)
5、实验时发现U型管内高度差没变化原因是什么?怎么解决?答:气密性不好,拆下来重新安装。
6、使用的U型管是不是连通器?答:不是
7、此实验U型管内液体为什么要染成红色?答:使实验效果明显,便于观察。
8、比较甲乙实验结论是:液体密度一定时,深度越深,液体产生的压强越大。比较乙丙实验结论是:当液体深度相同时,液体密度越大,液体产生的压强越大。
8、如图甲乙,金属盒在水中的深度和U型管内页面的高度差大小有何关系?为什么?答:相等,因为两侧产生的压强相等,液体密度相等,所以深度也相等。 如图丙,左侧金属盒的深度和U型管内页面的高度差大小有何关系?为什么?答:U型管内高度差比金属盒的深度大。因为盐水的密度比水的密度大,两边压强相等,所以U型管内高度差比金属盒的深度大
9、测量出U型管内页面的高度差,能否算出金属盒在左侧液体中的压强?答:能,因为两侧压强相等。
十、验证阿基米德原理实验
1、实验更合适的操作顺序是:b a c d
2、实验中溢水杯倒水必须有水溢出后才能做实验,否则会出现什么结果:答:会出现浮力大于物体排开水的重力
3、此实验弹簧测力计的示数关系是:Fa-Fc=Fd-Fb
4、实验结论:物体受到的浮力等于物体排开液体的重力
十一、探究杠杆平衡条件:
1、实验前杠杆的调节:左高右调,右高左调。平衡后实验过程中不能在调节平衡螺母。

2、将杠杆调成水平平衡的目的是:便于测量力臂
3、选择杠杆终点作为支点的好处:消除杠杆自身重力对实验的影响。
4、将砝码换成测力计的好处是:能直接测出拉力的大小,实验操作方便。
5、将砝码换成测力计的缺点是:测力计本身有重量,对实验有一定的影响,使弹簧测力计的示数变大。
6、如上图,乙图和丙图中,弹簧测力计的示数作怎样变化:由大变小,原因是力臂由小变大。
7、你认为哪个图更合理?答:丁图,实验不受弹簧测力计的重力的影响。
8、使用弹簧测力计代替钩码最终目的是:更能正确认识力臂。
9、多次实验的目的是:避免实验的偶然性,是结论具有普遍规律。
十二、探究滑轮组的机械效率
① 原 理:有用功/总功

②应测物理量:钩码重力G、钩码提升的高度h、拉力F、绳的自由端移动的距离S
③器 材:除钩码、铁架台、滑轮、细线外还需 刻度尺、弹簧测力计。
④步骤:必须匀速拉动弹簧测力计使钩码升高,目的:保证测力计示数大小不变。
⑤结论:影响滑轮组机械效率高低的主要因素有:A、动滑轮越重,个数越多则额外功相对就多。B、提升重物越重,做的有用功相对就多。C、摩擦,若各种摩擦越大做的额外功就多。同一滑轮组:绕线方法和重物提升高度不影响滑轮机械效率。
⑥测量机械效率时为什么不能使弹簧测力计静止?机械效率会怎样?答:当弹簧测力计静止时,绳子和滑轮之间没有摩擦力,拉力示数会变小,有用功在总功中占的比例增大,滑轮组的机械效率偏大。
十三.探究决定动能大小的因素:
(1)猜想:动能大小与物体质量和速度有关;
(2)实验研究:研究对象:小钢球 方法:控制变量法;转换法 如何判断动能大小:看木块被小钢球推动的距离多少。
使质量不同的钢球从同一高度静止释放的目的:使小球到达水平面时的初速度相同;
如何改变钢球速度:使钢球从不同同高度滚下;
(3)分析归纳:保持钢球质量不变时结论:运动物体质量相同时,速度越大,动能越大;
保持钢球速度不变时结论:运动物体速度相同时,质量越大,动能越大;
(4)得出结论:物体动能与质量和速度有关;速度越大动能越大,质量越大动能也越大。
(5)斜面的作用:是物体具有速度并改变物体速度的大小。
(6)水平面的作用:是物体在竖直方向上受力平衡,在水平方向只受摩擦力。
(7)能量转化:在斜面上机械能转化过程:重力势能转化成动能 , 在水平面上能力转化过程:动能转化为内能。
(8)木块最终停下来的原因:在水平面受到摩擦力。
(9)实验推理与假设:当水平面绝对光滑,小球将做匀速直线匀速,不能达到探究目的。
(10)超载、超速问题判断:超速时,质量不变,速度越大,动能越大;超载时,速度不变,质量越大,动能越大。
(11)用小球做实验有不足之处是:不能保证小球在水平面上沿直线运动。
十四、探究“水的沸腾"实验
1.安装装置时,应按照由下至上的顺序。
2.甲乙两个小组同时做此实验,结果甲组队员发现所用时间比乙组长,请你提出改进意见。
a减少水的质量 b提升水的初温 c加盖子
3.水沸腾前,烧杯内上升的气泡是由大变小的;
水沸腾时,烧杯内上升的气泡由小变大,因为上升过程中,水对气泡压强变小。
4.在水沸腾过程中,水持续吸热,但温度不变。内能增加(此处和晶体熔化过程相同)
5.按图9所示的装置给水加热至沸腾。实验记录的数据如表格所示。


(1)从表格中的数据可以看出水的沸点点是100℃
(2)若第6分钟末移去酒精灯,立即观察温度计的示数,将会看到温度计的示数不变。
(3)烧杯的纸盖上留有两个小孔,穿过温度计的那个孔作用:固定温度计。另外一个孔的作用是使水面上方大气压强与外界相同,使水的沸点测量值更准确;若不留小孔对实验结果产生的影响是如果没有小孔,会使里面气压增大,测出的水的沸点偏高。
6.如果实验过程中,温度计碰到容器底,会导致测量值偏大。
7、石棉网的作用:时烧杯受热均匀。
8、撤去酒精灯,水依然沸腾原因是:石棉网温度较高,水会继续吸热。
9、沸点不是100℃的原因:1、当地大气压低于一标准大气压。2、杯口的盖封闭较严,导致气压大于一标准大气压。
十五、晶体融化实验
1.安装装置时,应按照由下至上的顺序。
2、石棉网的作用:时烧杯受热均匀。
3、加热过程中不断搅拌的目的:使物体受热均匀
4、实验选取小颗粒目的是:使温度计的玻璃泡与固体充分接触;容易受热均匀。
5、采用水浴法的优点:1、使物体受热均匀;2、是物体受热缓慢,便于观察温度变化规律。
6、试管放置要求:1、试管中所装物体完全浸没水中;2、试管不接触烧杯底或烧杯壁。
7、烧杯口处出现白气的成因:水蒸气预冷形成的小水珠。
8、融化前后曲线的倾斜程度不一样的原因:同种物质在不同状态下的比热容不同。
9、收集多组数据的目的是:得出普遍规律。
十六、比较不同物质的吸热情况:
1、实验方法:控制变量法 转换法(通过温度变化快慢来反映吸热能力的强弱;)

2、实验液体的选择:质量相同的不同液体
3、选择相同的热源目的是:以保证相同加热时间释放的热量相同。
4、使用电加热器代替酒精灯的好处:易于控制产生热量的多少。
5、实验中不断搅拌的目的:使液体受热均匀。
6、描述物体吸热能力的物理量是:比热容
7、结论:相同质量的不同物体,吸收相同的热量后升高的温度不同,比热容大的升高的温度低。
8、做哪些实验还能用的此实验器材?答:水的沸腾实验;焦耳定律(探究电流产生的热量与哪些因素有关)
十七、探究电流与电压的关系
1、①提出问题:电流与电压有什么定量关系?
②采用的研究方法是:控制变量法。即:保持电阻不变,改变电压研究电流随电压的变化关系;
③得出结论:在电阻一定的情况下,导体中的电流与导体两端的电压成正比;(说法固定,不能更改)
2、电路连接注意事项:开关断开,滑动变阻器滑片移至阻值最大处
3、电表异常偏转原因:①指针反向偏转,原因是正负接线柱接反;②正向偏转幅度过小,原因是量程选择过大;③正向偏转幅度过大超过最大刻度,原因是量程选择过小;
4、滑动变阻器的作用:①保护电路;②改变电阻两端电压
5、调节滑动变阻器不能使电压达到指定示数的原因是:滑动变阻器的最大阻值过小
6、换不同规格的电阻多次测量的目的是:得出普遍规律,避免偶然性。
7、此实验不能用灯泡代替电阻进行探究的原因:灯丝的电阻随温度的升高而增大。
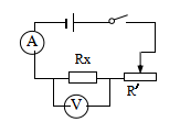
十八、探究电流与电阻的关系
1、滑动变阻器的作用:①保护电路;②使电阻两端电压保持不变

2、更换大电阻后如何滑动滑动变阻器的阻值:应使滑动变阻器的阻值变大,滑动变阻器分的的电压变大,保证定值电阻上分的的电压不变。
3、电路中滑动变阻器阻最大值Rx的确定方法:UR/R=(U-UR)/RX
4、实验方法:控制变量法:保持电压不变,改变电阻研究电流随电阻的变化关系。
5、结论:在电压一定时,导体中的电流与导体的电阻成反比
十九、伏安法测电阻(测定值定值或小灯泡的电阻)
1、原理:欧姆定律I=U/R

2、滑动变阻器的作用:①保护电路;②改变电阻(或灯泡)两端的电压和通过电阻的电流
3、电压表量程的选择:看电源电压
4、电流表的量程选择:I=U/R最小值 (定值电阻) I=P额/U额
5、滑动变阻器规格选取:1、看电流 2、计算电阻:R滑=(U-U额)/I额
6、使小灯泡正常发光的操作:移动滑动变阻器使电压表示数等于小灯泡额定电压。
7、注意:此次实验分两类:一是测定值电阻的阻值,它需要求平均值,因为多次多次测量求平均值,减小实验误差。二是测小灯泡阻值,它不需求平均值,因为灯丝电阻随温度变化而变化,求平均值失去意义。
8、测量结果偏小是因为:有部分电流通过电压表,电流表的示数大于实际通过Rx电流。根据Rx=U/I电阻偏小。
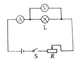
二十、测灯泡的额定功率
1、原理:P=UI 电路图:
2、滑动变阻器的作用:①保护电路;②将小灯泡两端电压调成额定电压。
3、实验多次测量的目的:测量小灯泡在不同电压下的电功率,并进行比较。
4、相同电压下LED灯比小灯泡亮的原因是:LED灯的电能转化光能的效率比白炽灯的高
5、为什么不能通过求平均值求小灯泡的额定功率?额定功率是小灯泡额定电压下的功率,多次测量算出的功率不是额定功率。
二一、探究电流产生的热量与哪些因素有关
1、实验:目的:研究电流通过导体产生的热量跟那些因素有关?

原理:根据煤油在玻璃管里(温度计示数变化)上升的高度来判断电流通过电阻丝通电产生电热的多少 。
2、实验采用煤油的目的:煤油比热容小,在相同条件下吸热温度升高的快:是绝缘体
3、被加热材料选用煤油或空气的原因:利用煤油比热容小升温明显;空气热胀冷缩明显。
4、选用加热材料的要求:质量、初温、材料相同
6、实验方法:控制变量法,转换法。
7、探究电热与电流的关系是需控制电热丝的电阻和通电时间相同。探究电热与电阻的关系是需控制电流和通电时间相同;探究电热与通电时间的关系时需控制电阻和电流相同,改变通电时间的长短。
两个烧瓶串联的目的:使通过电流相同。
8、焦耳定律:电流通过导体产生的热量跟电流的平方成正比,跟导体的电阻成正比,跟通电时间成正比。
9、计算公式:Q=I2Rt (适用于所有电路)对于纯电阻电路可推导出:Q =UIt= U2t/R=W=Pt
①串联电路中常用公式:Q= I2Rt 。Q1:Q2:Q3:…Qn=R1:R2:R3:…:Rn
并联电路中常用公式:Q= U2t/R Q1:Q2= R2:R1
②无论用电器串联或并联。计算在一定时间所产生的总热量 常用公式Q= Q1+Q2+…Qn
③分析电灯、电炉等电热器问题时往往使用:Q= U2t/R=Pt
二二、探究影响通电螺线管的磁性
1、原理:电流的磁效应

2、滑动变阻器的作用:保护电路;改变电路中的电流,
3、转换法:通过比较螺线管吸引大头针的多少反映磁性的强弱。
4、控制变量法:(1)探究磁性强弱与线圈匝数的关系:控制电流不变,改变匝数。(2)探究磁性强弱与电流的关系:控制匝数不变,通过滑动变阻器改变电流。(3)探究磁性强弱与有无铁芯的关系:控制电流和匝数不变,插入铁芯。观察线圈吸引大头针的多少。
5、将铁芯换成刚棒,开关断开后的现象。答:因为刚棒是永磁铁,断开开关后大头针不会掉下来。
6、电磁铁吸引的大头针下端分散的原因:答:同名磁极相互排斥。
二三、探究电磁感应现象
1、转换法:通过观察灵敏电流计指针是否偏转来判定是否产生电流。
2、控制变量法:(1)探究电流方向与磁场方向的关系:控制导体运动方向不变,改变电流方向,观察电流计指针偏转方向。(2)探究电流方向与导体运动方向的关系:控制磁场方向不变,改变导体运动方向,观察电流计指针偏转方向。(3)探究电流大小与磁场强弱的关系:控制导体切割磁感线运动的速度与方向不变,改变磁场强弱,观察电流计偏转的角度。(4)探究电流大小与导体运动速度的关系:控制导体运动方向和磁场强弱不变,改变导体切割磁感线运动的速度,观察电流计偏转的角度。
3、产生感应电流的条件:(1)电路必须闭合(2)闭合电路的一部分导体做切割磁感线运动。
4、能量转化:机械能转化电能
5、电流计指针不偏转的原因:(1)导体没有做切割磁感线运动(2)电路没闭合(3)产生电流太小。

物理常识与估测问题
1.一些物体的长度
物体 | 长度/m | 物体 | 长度/m
|
中学生身高 | 1.50~1.80 | 教室长 | 10 |
一张纸厚 | 6×10-5 | 教室宽 | 6 |
课桌高度 | 0.8 | 教室高 | 3 |
日光灯管长 | 1.2 | 篮球架的篮筐的高度 | 3.05 |
2.一些物体的质量和重力
物体 | 质量/kg | 重力/N |
一个鸡蛋 | 5×10-2 | 0.5 |
成人 | 50~70 | 500~700 |
铅球(男) | 5 | 50 |
物理课本 | 0.25 | 2.5 |
3.一些物体的运动速度
物体 | 速度/m·s-1 |
人步行 | 1.1~1.3 |
自行车 | 5 |
公共汽车 | 10~12.5 |
普通列车 | 40 |
声速(15℃的空气中) | 340 |
光和无线电波(真空中) | 3×108 |
4.一些物体的压强
物体 | 压强/Pa |
一个标准大气压 | 1.013×105 |
一张纸平放在水平桌面上对桌面的压强 | 0.5 |
一个中学生站立时对地面的压强 | 2.8×104 |
物理课本 | 50 |
5.一些物体的功率
物体 | 功率/W |
人的心脏跳动功率 | 1.5 |
人跑上楼的功率 | 300 |
人在平直公路上骑自行车的功率 | 100 |
人做引体向上的功率 | 24 |
6.一些电流、电压值
物体 | 电流/A | 事物 | 电压/V |
手电筒 | 0.3 | 一节干电池 | 1.5 |
家用电冰箱 | 1.1~1.7 | 一节蓄电池 | 2 |
家用空调 | 4~7 | 家庭电路 | 220 |
普通白炽灯 | 0.1~0.3 | 人体的安全电压 | 不高于36 |
47cm彩色电视机 | 0.2 | 一般交流电动机 | 380 |
7.一些电阻、电功率值
事物 | 电阻 | 事物 | 电功率/W |
100W的灯泡灯丝 | 在室温下:30 正常发光时:484 | 普通白炽灯 | 15~100 |
人体电阻 | 几千 | 电视机 | 约200 |
电熨斗 | 几十 | 空调 | 约1000 |
电饭煲 | 几十 | 微波炉 | 800~1000 |
电冰箱 | 约100 |
8.一些物体的温度
物体 | 温度/℃ | 物体 | 温度/℃ |
绝对零度 | -273.15 | 地球表面最高温度 | 63 |
标准大气压下水的沸点 | 100 | 正常人的体温 | 36.8 |
通常情况下冰的熔点、水的凝固点 | 0 | 人感觉舒适的温度 | 23 |
我国最低气温记录 | -52.3
| 冰箱冷冻室 | -18~-23 |
地球表面最低温度 | -88.3 | 冰箱冷藏室 | 5~10
|
物理原理与其相关的实例
原 理 | 实 例 |
力的作用是相互的 | 划船、游泳、走路、 |
重力方向竖直向下 | 瓦工用重锤线检查墙壁是否竖直、用重锤线检查墙上的画挂的是否正、用重锤线检查工作台面是否水平 |
二力平衡条件 | 悬挂法测物体的重心、用弹簧测力计测物重、测滑动摩擦力的大小 |
运动和静止的相对性 | 用于通讯的同步卫星、空中加油机给正在飞行的飞机加油、宇宙飞船在空中对接、接力赛时运动员跑起来接棒 |
惯性 | 利用惯性的实例有:跳远、摩托车飞越障碍物、斧头松了斧柄在坚硬的地上撞击几下、汽车进站前司机关闭油门让汽车慢慢停下 |
防止惯性的实例有:城市交通车辆有一定的车速限制、载重限制、交通车辆保持一定的车距、公交车上的提示语“车启步请扶好扶手”、司机和前排乘客要系安全带、百米赛跑终点要留有余地 | |
增大接触面的粗糙程度增大摩擦 | 轮胎、刀柄、鞋底上刻有凹凸不平的花纹 |
增大压力增大摩擦 | 皮带打滑时用力张紧皮带、自行车刹车时用力捏车闸 |
变滑动为滚动减小摩擦 | 冰箱下面按装车轮、机器的转动部分用滚动轴承代替滑动轴承、搬运笨重物品时在其下面垫圆木 |
给接触表面加润滑剂减小摩擦 | 给机器的转动部分加润滑油、给生锈的锁中加铅笔芯粉末 |
使接触表面脱离减小摩擦 | 磁悬浮列车、气垫船 |
减小受力面积增大压强 | 刀子、斧头等锋刃要磨得很薄、锥子、钉子、针等的尖端做得很尖 |
增大受力面积减小压强 | 房子的地基做得比墙后、铁路的钢轨铺在枕木上、人坐在沙发上感觉舒服、坦克安装两条履带 |
液体的压强随着深度的增加而增大 | 水坝的下部做得比上部宽一些、潜水艇潜入水中有一定的限度、医生给病人吊挂生理盐水时将瓶子的位置提高一些,输水速度快一些 |
连通器 | 水壶与壶嘴、锅炉与外面的水位计、水塔与自来水管、船闸、过路涵洞 |
大气压的作用 | 抽水机抽水、钢笔吸墨水、注射器吸药液、用饮料管吸饮料、圆顶吸盘挂钩 |
流速大压强小 | 利用:“竹蜻蜓”、飞机的升力、上旋球、下旋球、香蕉球 |
防止:铁路站台上设置安全线、并列行驶的轮船不能靠得太近 | |
物体的浮沉条件 | 潜水艇的浮沉、盐水浸泡法选种、测定人体血液密度、气象站放出的探测气球 |
物体的漂浮条件 | 轮船、密度计 |
省力杠杆 | 撬棒、老虎钳、起子、独轮车、铁匠剪刀 |
费力杠杆 | 缝纫机踏板、理发剪刀、钓鱼竿、镊子、人的前臂 |
等臂杠杆 | 天平、定滑轮 |
声能传递信息 | 铁路工人用铁锤敲击钢轨听声音判断螺旋是否松动、医院里的B超利用超声波为孕妇作常规检查,判断胎儿的发育情况、蝙蝠靠超声波探测飞行中的障碍和发现昆虫、利用声纳探测海深和鱼群 |
声能传递能量 | 利用超声波清洗钟表等精密仪器和除去人体内的结石 |
光在均匀介质中沿直线传播 | 射击瞄准、木工判断木板是否刨平、站队看齐、激光准直 |
平面镜能改变光路的传播方向 | 潜望镜、自行车的尾灯 |
凹面镜对光起会聚作用 | 太阳灶、手电筒的反光装置 |
凸面镜对光起发散作用 | 汽车的后视镜、接头或山路拐弯处的反光镜 |
凸透镜对光起会聚作用 | 远视眼镜、放大镜、照相机、投影仪 |
凹透镜对光起发散作用 | 近视眼镜 |
红外线 | 红外线夜视仪、电视机遥控器 |
紫外线 | 医院的手术室和病房灭菌、验钞机 |
水的比热容较大 | 冬天暖气用水取暖、沿海地区昼夜温差小、培育秧苗时为了保护秧苗夜间不受冻向秧田里灌一些水 |
电流的热效应 | 电热毯、电炉、电熨斗、白炽灯、电水壶、电烙铁 |
电流的磁效应 | 电话、电铃、电磁继电器、电磁起重机 |
电流的化学效应 | 电镀(铜)、电解(水)、给蓄电池充电 |
电磁感应 | 发电机、动圈式话筒 |
通电导体在磁场中运动 | 电动机、动圈式扬声器 |
常见单位换算:
1、时间单位换算:1年=365天,1天=24h,1h=60min,1min=60s
2、速度单位换算:1m/s=3.6km/h
3、体积单位换算:1m3=103dm3, 1dm3=103cm3 1m3=106cm3 1L=1dm3, 1mL=1cm3
4、密度单位换算:1g/cm3=1000kg/m3
5、面积单位换算:1m2=102dm2 1dm2=102cm2 1m2=104cm3
6、电阻单位换算:1兆欧=106欧姆,1千欧=1000欧姆
7、电功单位换算:1千瓦时=3.6x106J